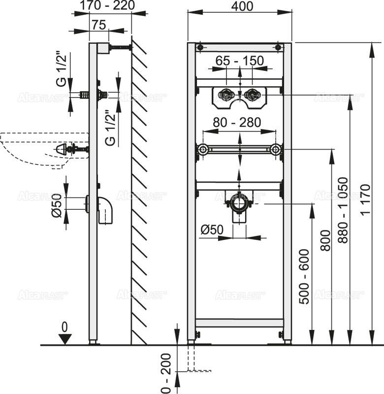
Montážní rám pro umyvadlo a baterii

A104A/1200

Kód výrobkuEANTechnický list
A104A/12008595580500627Technický list

Související produkty

popis souvisejicich produktu